J-series Large Displacement (16kN to 54kN)
Product Overview
Ideal for high velocity, high-displacement testing, the J-Series Large Displacement Type Vibration Test System from IMV is a high-functionality system that offers both usability and durability coupled with functions and technology that is exclusive to the IMV range of air-cooled vibration test systems.
Designed to cope with long duration shock tests the J-Series Shaker featured an expanded maximum test range, including a maximum velocity of SINE force: 2.4m/s, a maximum velocity of Shock force of 4.6m.s and a maximum displacement of 100mm.
IMV’s Parallel Support Guide System (PSG) supports the upper armature. The PSG significantly improves both durability, reliability of the system resulting in a higher quality of vibration.
The PSG’s compact design provides adequate stiffness and rigidity when compared to a roller support system. This is achieved by an alternative alignment of gears that have a unique curve called an involute curve.
IMV’s J-Series high velocity and high-displacement test system is a world-class solution with nine models in the series.
Models
- J230/SA3AM
- J230S/SA7AM
- J240/SA4AM
- J240S/SA9AM
- J250/SA5AM
- J250/SA6AM
- J260/SA7AM
- J260S/SA30AM
- EM2305A
- EM2405A
- EM2505A
- EM2506A
- EM2605A
Product Resources
Technical Specifications
Eco
*1 Random force ratings are specified in accordance with ISO5344 conditions. Please contact IMV or your local distributor with specific test requirements.
*2 Power supply: 3-phase 200/220/380/400/415V, 50/60 Hz. A transformer is required for other supply voltages.
*3 In case of 400 V
*4 Maximum velocity 4.6m/s. High velocity restricts maximum Shock force. Please contact IMV or your local distributor with specific test requirements.
*5 Spec described above is in case of 50Hz. Dimension is changed in case of 60Hz.
*6 In case of high velocity option *7 Export License is required for exporting the shaker system of over 50 kN Sine force.* The specification shows the maximum system performance. For long-duration tests, de-rating by up to 70% must be applied. Continuous use at maximum levels may cause failure.
* In the case of Random vibration test, please set the test definition of the peak value of acceleration waveform to be operated less than the maximum acceleration of Shock.
* Frequency range values vary according to sensor and vibration controller.
* Armature mass and acceleration may change when chamber is combined.Key Features
- Expanded maximum test range
- Maximum velocity of Sine force: 2.4m/s
- Maximum velocity of Shock force: 4.6m/s
- Maximum displacement: 100mmp-p
- Patented upper (armature) support system PS Guide
Parallel Slope Guide is standard - Low noise
Optimised design of the air intake based on fluid dynamics has reduced the air-intake noise. - All models can be directly coupled to a climatic test chamber
- Expanded maximum test range
Options
ECO-Shaker
ECO-shaker is an electrodynamic vibration test system in which the output of the power amplifier, power input to the vibration generator and cooling blower speed are automatically optimised, according to the payload and test requirements.
Complicated manual settings are no longer needed. Changes in the operating environment or in test level are accommodated without operator intervention.
Features
- Only vibration test levels need to be set
- Automatic response to changes in sample under test or test level
- Continuous monitoring of temperatures used to control blower speed



High performance slip table
Hydrostatic-Bearing Slip Tables from IMV Corporation are of the latest design and use hydro-static bearing blocks which are attached to the underside of the slip plate to enhance the performance of the test system.
Features
- High moment resistance
- Low cross-axis acceleration
- Low distortion
- No requirement for a separate hydraulic unit
- Good work efficacy
- Smaller system installation space

Variable Armature Insert Pattern
The option to freely select the table insert pattern on the shaker armature.
- Selecting this option, the armature mass will increase.
- Due to combining with other options; the horizontal slip table, insert pattern may have restrictions
Head Expanders
The purpose of a Head Expander is to allow testing of multiple items simultaneously, or expanding the test area of a shaker for larger test samples.
Head Expanders can increase efficiency, or simply expand your test capabilities on an existing Vibration Test System.
Features
- Increase Efficiency – Test Multiple Items Simultaneously
- Expand Test Capabilities

Control System
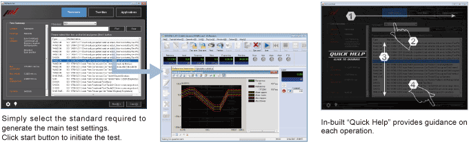
Launcher
Rapid creation of a test from a set of pre-defined templates conforming to most international test standards.

System Monitor
Remote monitoring of the test status over the internet.
The status of the test, and the amplifier or shaker operation can be viewed on a remote PC using a standard internet browser. Problems or errors are easily identified.

Home Screen 
Home Screen (Error) 
Eco Screen 
Camera Screen 
Chamber Screen 
Precision Starts Here



















